走进集团

ABOUT GROUP

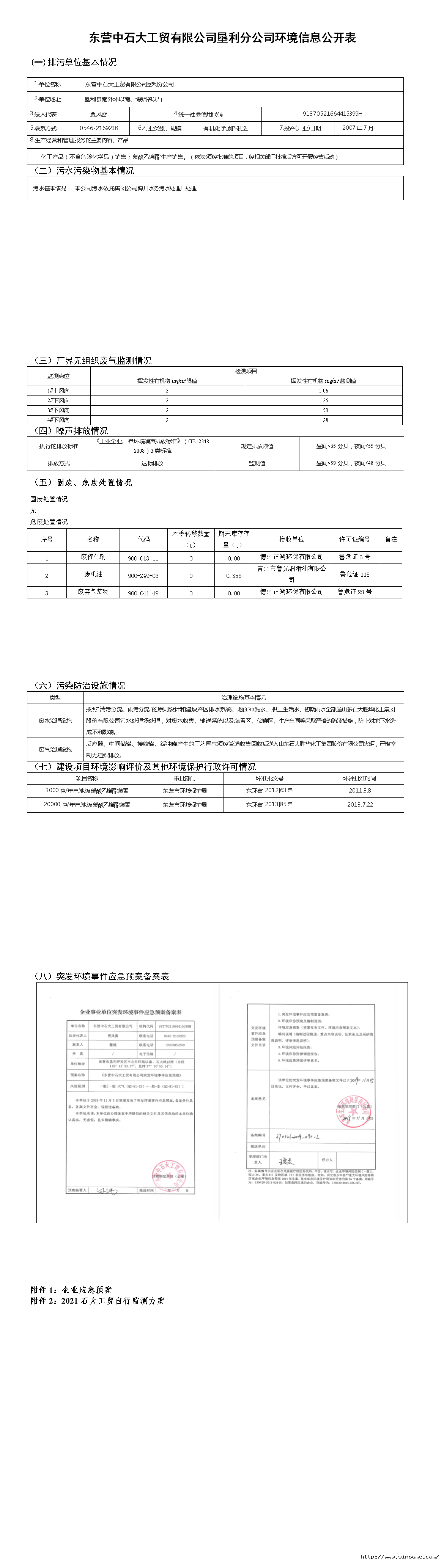
东营中石大工贸有限公司垦利分公司环境信息公开表

时间:2021-07-16 11:16:00 关注度:Loading...
分类:信息公开

上一篇:东营中石大工贸有限公司垦利分公司环境信息公开表
下一篇:东营石大胜华新能源有限公司环境信息公开表

联系我们

石大胜华新材料集团股份有限公司

办公室电话:+86 546 2169028

邮箱:shidashenghua@sinodmc.com
山东省东营市垦利区同兴路198号


jtgzhx.jpg

集团公众号    投诉举报

Copyright ◎ 2020 石大胜华新材料集团股份有限公司
版权所有 鲁ICP备17017352号-1
鲁公网安备 37052102000204号